产品分类:IC插座连接器
产品规格:2.54MM 15.24排间距 ST 圆孔IC母座
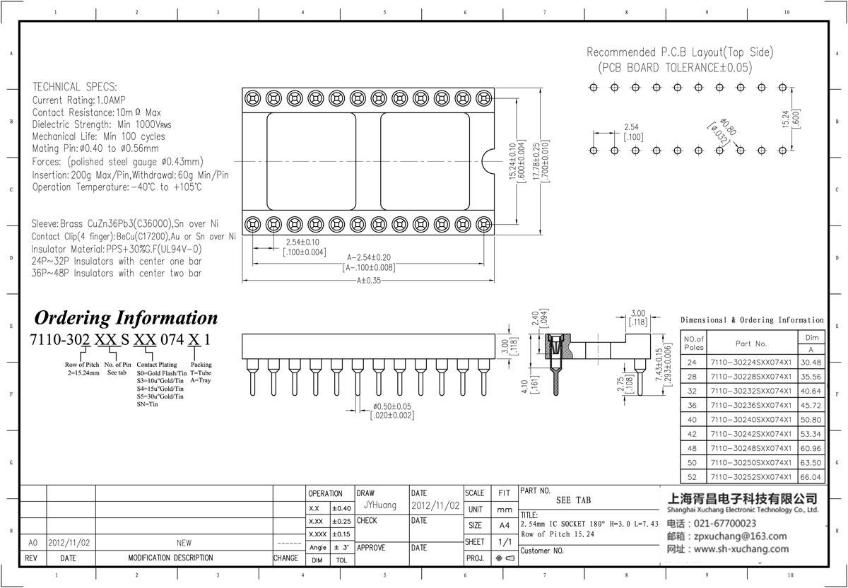
技术参数:
产品分类:IC插座连接器
产品型号:2.54MM 15.24排间距 S/T 圆孔IC母座 生产
技术参数:额定电流:1.0amp接触电阻:LOMΩ最大介电强度:最小1000 Vrms的机械寿命:最少100次连接销:φ0.40φ0.56mm力量:(抛光不锈钢表φ0.43mm)插入:200g最大/销,退出:60g分钟/销操作温度:40℃+ 105℃套:黄铜cuzn36pb3(c36000)、锡镍接触夹(4指):BeCu(C17200),金锡镍绝缘材料:
产品分类:IC插座连接器
产品型号:2.54MM 15.24排间距 S/T 圆孔IC母座 生产
技术参数:额定电流:1.0amp接触电阻:LOMΩ最大介电强度:最小1000 Vrms的机械寿命:最少100次连接销:φ0.40φ0.56mm力量:(抛光不锈钢表φ0.43mm)插入:200g最大/销,退出:60g分钟/销操作温度:40℃+ 105℃套:黄铜cuzn36pb3(c36000)、锡镍接触夹(4指):BeCu(C17200),金锡镍绝缘材料:
产品用料:产品材料采用德国及日本进口塑胶原材料,保证产品质量的可靠性,稳定性。
生产设备:本公司引进台湾、日本进口注塑设备每每6~7秒钟开模一次、冲床冲速可达1300次/每分钟
产品品质:严格按照汽车及高端电子行业品质管理体系的要求管控生产管理的每一个环节。
服务客户:产品设计、开发、模具生产一体化,为每一位客户提供一条龙式服务,解决您的后顾之忧!

产品分类:IC插座连接器
产品型号:XCO001
产品分类:IC插座连接器
产品型号:XCO002
产品分类:IC插座连接器
产品型号:XCO004
产品分类:IC插座连接器
产品型号:XCO005
产品分类:IC插座连接器
产品型号:XCM001