产品分类:Mirco区配连接器
产品规格:Micro Match SMT 10P 母头
技术参数:
产品分类:Mirco匹配连接器
产品型号: Micro Match SMT 10P 母头
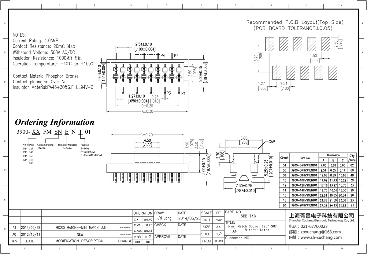
技术参数:额定电流:1.oamp接触电阻:20mΩ最大承受电压:500V的交流/直流绝缘电阻:1000mΩ最小工作温度:40℃+ 105℃
绝缘体材质:PBT的+ 30% g.f UL94V-O使用:3900-t(压接端子)
产品分类:Mirco匹配连接器
产品型号: Micro Match SMT 10P 母头
技术参数:额定电流:1.oamp接触电阻:20mΩ最大承受电压:500V的交流/直流绝缘电阻:1000mΩ最小工作温度:40℃+ 105℃
绝缘体材质:PBT的+ 30% g.f UL94V-O使用:3900-t(压接端子)
产品用料:产品材料采用德国及日本进口塑胶原材料,保证产品质量的可靠性,稳定性。
生产设备:本公司引进台湾、日本进口注塑设备每每6~7秒钟开模一次、冲床冲速可达1300次/每分钟。
产品品质:严格按照汽车及高端电子行业品质管理体系的要求管控生产管理的每一个环节。
服务客户:产品设计、开发、模具生产一体化,为每一位客户提供一条龙式服务,解决您的后顾之忧。

产品分类:Mirco区配连接器
产品型号:XCI001
产品分类:Mirco区配连接器
产品型号:XCI002
产品分类:Mirco区配连接器
产品型号:XCI003
产品分类:Mirco区配连接器
产品型号:XCI004
产品分类:Mirco区配连接器
产品型号:XCI005